常州市荣臻干燥设备有限公司,欢迎您登陆访问!
当前位置:首页 - 新闻中心
 
 
产品详细信息:
 

概述:
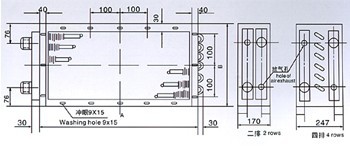
  我厂生产的SRZ和SRL型螺旋翅片式散热器,主要用于干燥系统中空气加热,是热风装置中的主要设备,散热器采用的热介质可以是蒸汽或热水,也可用导热油,蒸汽的工作压力一般不超过0.8MPa,热空气的温度在150℃以下。 翅片式散热器主要由空气流向间的三排并列螺旋翅片管整组成,SRZ型散热翅片管束的加工工艺是把0.5*10毫米无缝钢管上,然后进行热镀锌,也可用不锈钢管及不锈钢制成全不锈钢散热器,SRL型散热器则是用钢管和铝带轧制的翅片散热器,其单位长度的散热面积比SRZ型的更大。 因采用机械张片,散热翅片与散热管接触面大而紧,传热性能良好、稳定,空气通过阻力较小,蒸气或热水流经钢管管内,热量通过紧绕在钢管上翅片传给经过翅片的空气,达到加热和冷却空气的作用。

 
技术参数:
表面管数
B
表面管长
24
30
42
54
78
A
720
870
1170
1470
2070
基本参数
排数
 
 
 
 
 
6
318
散热面积
散热面积
受风表面积
通风净截面积
进出管接头(时)
重量
2
4
2/4
2/4
2/4
2/4

4.7
9.4
1.157
0.083
1
19/34
5.84
11.86
0.196
0.108
1
22/40
8.12
16.24
0.273
0.145
1
28/50
 
 
10
474
散热面积
散热面积
受风表面积
通风净截面积
进出管接头(时)
重量
2
4
2/4
2/4
2/4
2/4
7.82
15.61
0.253
0.131
1
28/50
9.72
19.44
0.315
0.167
1
33/59
13.56
27.12
0.438
0.233
1
41/73
17.42
34.84
0.563
0.298
1
50/90
25.08
50.16
0.812
0.430
1
72/129
15
669
散热面积
散热面积
受风表面积
通风净截面积
进出管接头(时)
重量
2
4
2/4
2/4
2/4
2/4
11.72
23.44
0.372
0.197
2
46/83
14.58
29.16
0.463
0.245
2
53/96
20.34
40.68
0.645
0.342
2
68/122
26.12
52.24
0.828
0.438
2
82/148
37.62
75.24
1.192
0.632
2
111/220
24
1020
散热面积
散热面积
受风表面积
通风净截面积
进出管接头(时)
重量
2
4
2/4
2/4
2/4
2/4
18.8
37.6
0.586
0.310
2
57/102
23.32
46.64
0.729
0.386
2
79/142
32.54
65.08
1.016
0.538
2
101/182
41.8
83.6
1.307
0.693
2
122/220
60.20
120.40
1.881
0.998
2
164/295


结构特性表:
助片特性
管子特性
每米管
长散热
面 积
( m 2 )
结构计算参数
排列
方式
型式
片厚
mm
片高
mm
片距
mm
外径
mm
内径
mm
内截面
cm 2
肋化
系数
肋通
系数
净面比
绕片
0.3
10
3.2
18
14
1.54
0.64
14.56
15.8
0.53
错排

技术参数:
表面管数
总管数
换热面积
(m 2 )
主要几何尺寸参数
A
B
m×t 1
n×t 1
换热管
有效长度L(mm)
换热管
总长度L(mm)
8
23
8
407
660
4×94
6×105
600
540
10
29
12.5
493
798
4×116
7×110
729
669
12
35
18
579
930
5×110
9×100
870
810
14
41
26
665
1070
6×106
10×104
1010
980
16
47
33
751
1210
6×120
10×118
1150
1090
18
53
42
837
1350
8×101
11×120
1290
1230
20
59
54
923
1494
8×111
12×122
1434
1374
22
65
64
1009
1640
10×101
14×115
1580
1550
24
71
75
1095
1772
10×107
15×116
1712
1652
26
77
90
1181
1920
10×115
18×105
1860
1830
28
83
104
1267
2053
12×103
17×119
1993
1963
30
89
118
1353
2189
11×120
17×127
2129
2069
Copyright 2017-2018 常州市荣臻干燥设备有限公司  苏ICP备18011224号-1
产品分类列表